Как сделать пресс из домкрата своими руками?
В основу данного оборудования входит надежная рама. Она изготавливается из швеллера или металлических углов.
Как сделать самодельный пресс из домкрата своими руками, чертеж
| Шаг | Описание |
Рама используется со сдавливющим усилием до 5 тонн | 1 (упорна балка сверху); 2 (крепежные элементы); 3 (домкрат до 20 т); 4 (пружинный механизм); 5 (подвижная конструкция); 6 (стопор); 7 (приспособление для регулировки); 8 (поперечная конструкция); 9 (опорные ножки). |
| Все надежно закреплено | Возможны два варианта: при помощи, что надежнее. Есть монтаж на болтах |
Гидравлический пресс своими руками из домкрата чертеж с болтовым соединением | Здесь необходимо точно рассчитать усилие пресса |
Монтаж балки понадобится для большей жесткости | Опорный элемент можете придумать сами, в зависимости от воображения. Наличие перекладины снизу обязательно, для жесткости. |
Совет! При производстве гидравлического пресса из домкрата в первую очередь нужно обеспечить прочность рамы, именно на нее будет оказываться нагрузка.
Какой домкрат подойдет для нашей конструкции
На сегодняшний день чаще всего используется для производства гидравлического пресса стаканный домкрат. Есть недорогие устройства, которые в состоянии выжимать более двадцати тонн.
Стаканный гидравлический домкрат
Примечание! Но есть проблема в использовании подобного оборудования, они не способны функционировать в перевернутом состоянии.
Вроде логично, закрепить домкрат на верхней балке, а нижнюю использовать, как опору, но в этом случае домкрат придется дорабатывать.
Переделка конструкции:
- Вариант 1: устанавливаем бак и связываем его с отверстием для заливки домкрата при помощи силиконовой трубки.
- Вариант 2: потребует новой разработки самого домкрата.
Работа системы прижима
Чтобы сделать пресс из гидравлического домкрата своими руками, предусматривается формирование штока. Многие мастера утверждают, что он не удобен в работе. Нужна большая площадь для разработки различных, крупных пресс-форм и деталей больших габаритов.
В роли колодок можно использовать чушки, в которых делаются глухие отверстия для укрепления с основной конструкцией пресса. Если нет финансовых возможностей, то узлы можно изготовить самостоятельно. В балке нужно сделать отверстие, куда должна войти пятка домкрата, практически без зазора. Затем делаем несколько отверстий для возвратного механизма.
Балки изготавливаем с открытыми гранями
Затем в верхней части узла привариваем отрезок трубы для посадки домкрата. Нижнюю часть привариваем при помощи уголков.
Роль переставной опорной балки
Для крепления переносной балки, подойдут стальные массивные пальцы. На вертикальной части рамы делаем ряд круглых просечек на разной высоте. Диаметр просечек должен совпадать с сечением всех болтов.
Крепление опорной балки
Установка возвратного механизма
Последняя деталь в конструкции гидравлического пресса, это возвратный или пружинный механизм. Здесь можно вставить обычные пружины для дверей. Задача может значительно усложниться при использовании верхней бабки, так как собственный вес может не позволить сжиматься пружинному механизму.
Увеличиваем число пружин
Совет! Один из вариантов, это увеличение числа пружин до 6-ти или использование более мощных деталей.
Если отсутствует верхняя колодка, то рекомендуется закрепить пружину к штоку при помощи шайбы. Если образовались излишки длины пружины, можно расположить их в наклонном состоянии.
Гидравлический пресс: принцип действия и назначение
приводится в работу жидкостью
Устройство имеет два цилиндра или камеры. В одном, меньшем, жидкость доводят до состояния с высоким давлением, и передают по специальному каналу или трубопроводу в большую, рабочую камеру, в которой поступающая жидкость образует усилие на поршне, и передает на обрабатываемое изделие с помощью исполнительного инструмента. Важным условием эксплуатации пресса является установка упора, который не допускает перемещение заготовки или детали под действием рабочего поршня. В роли жидкости используются различные масла.
Как правило, в современных производственных гидравлических прессах расположение рабочей камеры обычно вертикальное, но может быть и горизонтальное. С учетом своего предназначения и вида обрабатываемых материалов это устройство развивает усилия от десятков до тысяч тонн давления. Пресс зачастую используется в металлообработке для ковки, штамповки, гибки и правки, выдавливания труб и профилей, а также при пакетировании, брикетировании, прессовании разных материалов, изготовлении древесно-стружечных, пластиковых, резиновых изделий и во многих иных сферах деятельности.
Как сделать пресс из домкрата своими руками?
В основу данного оборудования входит надежная рама. Она изготавливается из швеллера или металлических углов.

| Шаг | Описание |
|---|---|
Рама используется со сдавливющим усилием до 5 тонн | 1 (упорна балка сверху),2 (крепежные элементы),3 (домкрат до 20 т),4 (пружинный механизм),5 (подвижная конструкция),6 (стопор),7 (приспособление для регулировки),8 (поперечная конструкция),9 (опорные ножки). |
| Все надежно закреплено | Возможны два варианта: при помощи, что надежнее. Есть монтаж на болтах |
Гидравлический пресс своими руками из домкрата чертеж с болтовым соединением | Здесь необходимо точно рассчитать усилие пресса |
Монтаж балки понадобится для большей жесткости | Опорный элемент можете придумать сами, в зависимости от воображения. Наличие перекладины снизу обязательно, для жесткости. |
Совет! При производстве гидравлического пресса из домкрата в первую очередь нужно обеспечить прочность рамы, именно на нее будет оказываться нагрузка.
Какой домкрат подойдет для нашей конструкции
На сегодняшний день чаще всего используется для производства гидравлического пресса стаканный домкрат. Есть недорогие устройства, которые в состоянии выжимать более двадцати тонн.
Примечание! Но есть проблема в использовании подобного оборудования, они не способны функционировать в перевернутом состоянии.
Вроде логично, закрепить домкрат на верхней балке, а нижнюю использовать, как опору, но в этом случае домкрат придется дорабатывать.
Переделка конструкции:
- Вариант 1: устанавливаем бак и связываем его с отверстием для заливки домкрата при помощи силиконовой трубки.
- Вариант 2: потребует новой разработки самого домкрата.
Работа системы прижима
Чтобы сделать пресс из гидравлического домкрата своими руками, предусматривается формирование штока. Многие мастера утверждают, что он не удобен в работе. Нужна большая площадь для разработки различных, крупных пресс-форм и деталей больших габаритов.
В роли колодок можно использовать чушки, в которых делаются глухие отверстия для укрепления с основной конструкцией пресса. Если нет финансовых возможностей, то узлы можно изготовить самостоятельно. В балке нужно сделать отверстие, куда должна войти пятка домкрата, практически без зазора. Затем делаем несколько отверстий для возвратного механизма.

Затем в верхней части узла привариваем отрезок трубы для посадки домкрата. Нижнюю часть привариваем при помощи уголков.
Роль переставной опорной балки
Для крепления переносной балки, подойдут стальные массивные пальцы. На вертикальной части рамы делаем ряд круглых просечек на разной высоте. Диаметр просечек должен совпадать с сечением всех болтов.

Установка возвратного механизма
Последняя деталь в конструкции гидравлического пресса, это возвратный или пружинный механизм. Здесь можно вставить обычные пружины для дверей. Задача может значительно усложниться при использовании верхней бабки, так как собственный вес может не позволить сжиматься пружинному механизму.
Совет! Один из вариантов, это увеличение числа пружин до 6-ти или использование более мощных деталей.
Если отсутствует верхняя колодка, то рекомендуется закрепить пружину к штоку при помощи шайбы. Если образовались излишки длины пружины, можно расположить их в наклонном состоянии.
Процесс изготовления
Когда чертеж вашего будущего гидравлического пресса готов, а все необходимые материалы, инструменты, оборудование и комплектующие в наличии, переходят непосредственно к изготовлению. Первое, что необходимо сделать, – это нарезать весь металл, руководствуясь размерами, указанными в чертеже.
Один из вариантов чертежа для изготовления пресса
Теперь следует сделать основание пресса, для чего сваривают между собой подготовленные квадратные трубы, а на сформированный из них прямоугольник наваривают стальную пластину. Затем сваривают между собой боковые и верхнюю часть рамы, тщательно следя за тем, чтобы полученная П-образная конструкция была ровной и имела строго прямые углы в соединениях. Теперь полученную конструкцию следует приварить к основанию и можно считать, что рама для вашего гидравлического пресса готова.
Следующий элемент, который вам необходимо будет сделать для пресса, – это подвижная платформа. Для ее изготовления можно использовать швеллер, квадратную или прямоугольную трубу. В центральной части платформы приваривают отрезок трубы, который будет служить гнездом для головки штока домкрата. Для изготовления направляющих для рабочей платформы вам потребуются две стальные полосы, длина которых должна соответствовать ширине рамы пресса по ее внешнему контуру.
Вариант конструкции пресса с подвижной нижней платформой, фиксация которой производится болтами
Полосы крепят к боковым сторонам передвижной платформы при помощи болтовых соединений, предварительно заведя ее внутрь рамы. По такой же схеме изготавливается и съемный упор, но в его направляющих полосах просверливаются отверстия напротив стоек рамы для фиксации на нужной высоте. Завершает процесс изготовления гидравлического пресса своими руками установка оттягивающих пружин и самого домкрата. Удобен такой гидравлический пресс еще и тем, что вы всегда сможете извлечь из него домкрат (например, если вам необходимо использовать его для ремонта автомобиля).
Внешний вид готового самодельного пресса
Всем привет, в этой инструкции мы рассмотрим процесс изготовления очень простого пресса для гаража
С помощью него можно очень удобно небольшими усилиями снимать или устанавливать подшипники, причем не важно, работать нужно с валом или втулкой. Сделан станок из очень простых материалов, в качестве основного силового элемента используется гидравлический домкрат. Если проект вас заинтересовал, предлагаю ознакомиться с ним более детально
Если проект вас заинтересовал, предлагаю ознакомиться с ним более детально.
Материалы и инструменты, которые использовались автором:
Список материалов:– швеллер (на 80);– профильная труба (квадратная, 40Х40, толщина стенок 3 мм);– стальной уголок;– гидравлический домкрат;– болты, гайки и другие мелочи.
Список инструментов:– сварочный аппарат;– ленточный отрезной станок или болгарка;– сверлильный станок;– гаечные ключи.
Шаг первый. ОснованиеВ качестве основания нам понадобится кусок швеллера на 80 размерами 40 см. В нем нужно будет просверлить отверстия, в них будут устанавливаться матрицы для установки или снятия подшипников.
Шаг третий. НаправляющаяОсталось сделать направляющую, на которую мы будем устанавливать домкрат. Автор ее делает также из профильной трубы. На концах направляющей установлены специальные кронштейны из уголка, благодаря которым направляющая ездит вверх/вниз по стойкам. А чтобы направляющую можно было снять, она крепится к кронштейнам при помощи болтов с гайками. В завершении автор устанавливает пружины, чтобы направляющая сама возвращалась в исходное положение. Пружины должны быть довольно мощными, так как нужно поднимать домкрат и преодолевать давление штока.
Под шток, кстати, в верхней части нужно сделать специальный упор, для этого подойдет кусок круглой трубы по диаметру штока.
Шаг четвертый. ИспытанияВот и все, наш чудо-станок готов, можно испытывать. Для начала автор попробовал снять подшипники со старого якоря, сделать это съемниками не получалось. Его станок с легкостью справился с этой задачей.
В качестве еще одного примера автор запрессовал подшипник в стальную втулку, это получилось быстро и качественно.
Вот и все, проект на этом можно считать оконченным, надеюсь, он вам понравился. Удачи и творческих вдохновений, если решите повторить. Не забывайте делиться своими самоделками с нами.
Когда надо покупать
Настольный ручной механический мини-пресс
Но вот когда пресс ни в коем случае не надо делать самому, так это когда вы занимаетесь точной механикой, оптикой, ювелирными работами. Все самодельные прессы особой точностью не отличаются: в домашних и/или кустарных условиях их лучше и не сделаешь. А неточный мини-пресс может сломать или непоправимо испортить малюсенькую незаменимую детальку, расколоть линзу, драгоценный камень и т.п. В этих случаях лучше все же приобрести настольный мини-пресс; из них ручные механические реечные (см. рис. справа) есть в широкой продаже и цены на них приемлемы.
Маслопресс своими руками чертежи холодного отжима. Особенности шнековых маслопрессов:
- окисление масла от металла. Дешевые маслопрессы, включая бытовые для домашнего использования часто делают из обычной стали, которая в процессе использования окисляет масло и снижает его вкусовые и полезные свойства.
- саморазогрев отжимаемой массы. Шнековые прессы в принципе более производительны, тем более что семечка в процессе отжима саморазогревается от давления, а нагретая семечка отдает больше масла, но это уже не холодный отжим. Для получения качественного масла требуется постоянный контроль за скоростью работы шнека и температурой отжимаемого масла. Реализация цифрового контроля — один из лучших вариантов, но у большинства фермеров на это обычно не хватает ни квалификации ни средств.
- дополнительный прогрев шнекового механизма. Большинство кустарных производителей масла дополнительно прогревают шнековый механизм горелкой или теном для увеличения выхода масла до 50% от массы семечки. При этом отжимаемое масло утрачивает витамины и приобретает канцерогены. К холодному отжиму такое масло отношения не имеет.
- использование жаренной мятки. Для еще большего выхода масла многие производители перед прессованием семечку измельчают и обжаривают в жаровнях с добавлением воды. В результате отжима такой мятки получается всем нам знакомое масло с ярко выраженным вкусом жареной семечки. Проблема в том, что вода портит масло не меньше нагрева. И конечно, это тоже уже никакой не холодный отжим.
- холодный или выгодный отжим. Для получения настоящего полезного масла холодного отжима шнековый механизм можно охлаждать, но это приводит к снижению выхода масла, да и прессы с охлаждением более дороги, не говоря о том, что они в принципе иной конструкции, чем обычные, используемые повсеместно. Путем тонкой настройки оборудования и использования семечки оптимального уровня влажности можно добиться такого режима работы, при котором отжимаемое масло не нагревается выше 40 градусов. Именно такой способ отжима использует в своем фермерском хозяйстве Якушев Алексей. Марка и тип оборудования, как и матрица режимов работы являются его Ноу Хау и держатся в строжайшей тайне.
2 Устройство и работа гидравлического пресса
Устройство гидравлического пресса в зависимости от его вида и назначения практически не изменяется и состоит из следующих основных узлов: цилиндры (рабочий и возвратные), подвижная поперечина и станина. На последней располагаются все элементы. Если агрегат габаритный, то в его конструкцию входит еще и гидравлический цилиндр, главной функцией которого – уравновешивать поперечину. Рабочий инструмент крепится к подвижной поперечине, связанной с плунжерами цилиндров.
Работа гидравлического пресса заключается в следующем. Плунжер начинает свое движение под давлением жидкости и перемещает подвижную поперечину. На последней устанавливается специальный боёк, плита или же иной рабочий инструмент, который, упираясь в деталь, деформирует ее. Скорость передвижения обычно не превышает 30 см/с, а давление жидкости достигает 32 МПа. После опрессовки жидкость поступает в возвратные цилиндры, и поперечина возвращается на прежнее место.
Конструкция гидравлического пресса

При выборе схемы оборудования необходимо ознакомиться с техническими бумагами заводских моделей. Это поможет составить оптимальный чертеж гидравлического станка. Взять необходимую информацию можно на сайтах производителей.
Одним из главных условий является устойчивость конструкции и возможность выдерживать большие нагрузки
Поэтому особое внимание необходимо уделить раме пресса. На ней будут располагаться основные компоненты
Самая простая модель для автомастерской состоит из следующих элементов:
- несущая рама. Изготавливается из швеллеров и уголков. Рекомендуемая толщина стали – от 2 до 5 мм.
- гидравлический домкрат. Для выполнения стандартных работ подойдет модель с грузоподъемностью 12 т. Лучше всего применять обычные бутылочные модели;
- опорный стол. На нем будет располагаться деталь, подвергаемая обработке. Он должен состоять из двух швеллеров с расстоянием между ними. В нее будет опускаться шток домкрата;
- насадка. Она устанавливается на рабочий поршень. Предназначена для выпрессовки деталей с различным диаметром.
Это общая схема оборудования, изготавливаемого своими руками. Рекомендуется предварительно рассчитать на бумаге требуемые усилия нагрузки, возможно – выбрать насос для увеличения скорости работы.
Важно, чтобы опорные лапы пресса увеличивали устойчивость. Дополнительно можно установить регулировочные болты, с помощью которых выполняется калибровка положения оборудования и домкрата
Преимущества покупки гидравлического пресса
Выбор в пользу заводского оборудования принесет следующие преимущества:
- длительную безаварийную эксплуатацию установки сроком до 7 лет и более;
- возможность использования пресса в любых нужных условиях;
- большие объемы и высокую скорость переработки ТБО: от 80 до 2100 кг за час.

Заводские установки отличаются надежной, эффективной работой и полностью решают задачу утилизации отходов на предприятиях. Использование оборудования обеспечивает сокращение объема мусорных контейнеров до 75%, сокращение необходимого для вывоза транспорта в 3─5 раз, общую экономию на утилизационной статье расходов до 30%. ← Вернуться к списку статей
Примеры конструкций
Вибрационная и механическая устойчивость пресса весьма существенны при ремонте и техобслуживании автомобилей; особенно легковых. Задиры и перекосы посадки сопряженных деталей это еще не все, важен и внешний вид машины. Т.е., пресс, применяемый при рихтовке и/или тюнинге автомобиля, должен иметь как можно более плавный ход и быть максимально точен. Достигается это повышенной материало- и трудоемкостью конструкции: колонны делаются стальными точеными, а стол и траверсы из цельных металлических плит.
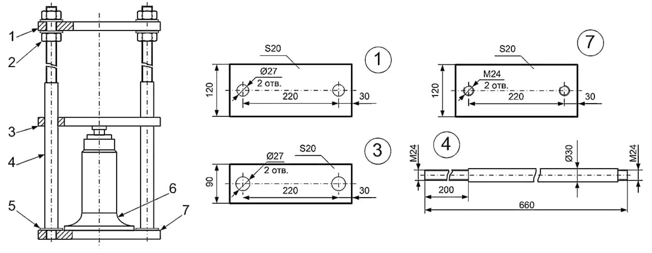
Чертежи гидравлического пресса из домкрата повышенной точности и устойчивости даны на рис.:

Чертежи гидравлического пресса (из домкрата) повышенной точности и устойчивости
Без ущерба для эксплуатационных качеств пресса в геометрическом центре его верхней неподвижной траверсы (дет. 1) можно просверлить отверстие диаметром до 40 мм для прохода вала/оси при напрессовке на нее сопряженных деталей или, наоборот, выпрессовки его из них. Максимальное кратковременное (10 мин/1,5 час перерыв) рабочее усилие – ок. 10 тс.
На след. рис. даны чертежи пресса подобной конструкции и технического исполнения, но уже производственно-технологического назначения.

Чертежи производственно-технологического гидравлического пресса из домкрата с усилием в 12 тс
Максимальное усилие уже регулярное долговременное: до 50% рабочего времени, поэтому и конструкция данного изделия много сложнее. Особенность этого пресса – двойная комбинированная рама. Ее ходовая часть на круглых точеных колоннах, а опорная сварная из швеллеров. Такая рама очень хорошо гасит вибрации практически любой моды. Дело в том, что механическая добротность квадратной трубы, сваренной из швеллеров полками встык, очень низка: попавшие в нее волны упругости, образно говоря, запутываются в металле неравномерной толщины и дополнительно гасятся в сварных швах. Еще об опыте любительского изготовления гидропрессов из домкратов см. видео:

Примечание: на всякий случай – на рис. чертежи станины гидравлического пресса из домкрата на усилие до 100 тс.
Пресс-молот
Чтобы покончить с ремонтно-технологическими прессами, вспомним обещанное: каким образом в домашней мастерской или у ИП-индивидуала применимо ударное прессование? В виде педального пресс-молота; он может использоваться как ковочный, заклепочный и штамповочный.
Прессы такого типа называются еще рычажными молотами. Их прародитель – кузнечный молот с приводом от водяного колеса. Сила удара пресс-молота далеко не рекордная, всего несколько тс. Но вследствие описанных выше особенностей поведения металла под ударом рычажные молоты достаточно эффективны, тем более что силу и скорость удара можно регулировать соотв. характера нажатием на педаль.

Устройство рычажных молотов для ударной прессовки
Кинематическая схема рычажного молота показана на поз. а) рис., а на поз. б) – устройство его традиционного типа. На поз. в) – устройство усовершенствованного рычажного молота: параллелограммная подвеска верхнего бойка (так в данном случае называется пуансон) на паре серег (качающихся рычагов) обеспечивает прямой удар, а перемещением хомута тяги (водила) по нижней серьге, как показано стрелками, точно регулируется сила удара. Пара пружин (нижняя – регулируемая) позволяет добиться механического безразличия бойка: в пределах рабочего хода он остается в любом положении, куда его поставят рукой; это дает возможность, не меняя веса бойка, точно регулировать запасаемую в нем кинетическую энергию. Такие рычажные молоты применяют даже ювелиры и яхтсмены – для установки в паруса мощных люверсов и сборки дельных вещей внатяг.
Примечание: по морской терминологии дельные вещи это недвижимые относительно корпуса судна предметы его снабжения, изготавливаемые на берегу в производственных условиях – кнехты, утки, роульсы и т.п.
Что лучше: блоки или монолит таблица?
Строить дома из опилкобетона можно по двум технологиям – из блоков либо из монолитного материала. У каждого из этих методов есть и плюсы и минусы.
Здания, возведенные из блоков:
Дом из блоков можно возводить постепенно, без особой спешки. Возводимые стены могут быть любыми, к тому же при таком методе не нужна опалубка. Данный материал легко переносит длительное хранение. Построить дома из опилкобетона быстро не получится. Ведь большое количество изделий не удастся применить сразу – после укладки каждого ряда, необходимо ждать некоторое время, пока швы просохнут и приобретут прочность.
Здания, возведенные из монолита:
В доме из монолитов лучше теплоизоляция.
Заливка монолита проводится в короткие сроки и за один раз, так как места соединения могут быть хрупкими, если проводить в разные периоды.
Так как для строительства необходима опалубка, то задать особую форму стенам будет тяжело. Однако при создании прямоугольной коробки дома, установка происходит в рекордно короткие сроки. Если строительные работы предстоят не скоро, то составляющие для раствора не стоит покупать заранее. Нельзя так делать, потому что цемент из-за влияния влажности может окаменеть, а опилки — сгнить.
Опалубку наполняют раствором всего за один день. Вероятно и более быстрое выполнение работы, но главное влияние на скорость оказывает приготовление смеси.
По сути оба метода обладают своими преимуществами. Но чаще всего специалисты рекомендуют применять второй вариант возведение дома. Ведь в такой технологии отсутствуют швы в стенах, а это улучшает теплоизоляцию здания.


Рама используется со сдавливющим усилием до 5 тонн
Гидравлический пресс своими руками из домкрата чертеж с болтовым соединением
Монтаж балки понадобится для большей жесткости


































