Как сделать лебедку и пилораму из бензопилы своими руками
Самоделки из «Урала» часто помогают и в строительстве. Так, при возведении зданий из цельного леса приходится распускать бревна на брус. Пилорама из бензопилы «Урал» дает возможность выполнить это действие максимально быстро, аккуратно, сохраняя точность реза. Главное преимущество – отсутствие необходимости выполнять какие-либо сложные переделки. Приспособление просто требуется надежно закрепить в самодельной раме, которая может быть изготовлена из металлических уголков или профильных труб. Бревно для обработки затем уже укладывается на подготовленные направляющие.
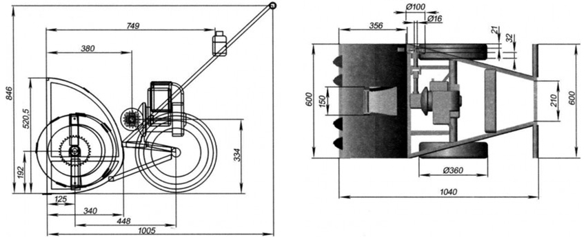
Схема изготовления пилорамы из бензопилы своими руками.
Создавать чертежи пилорамы из бензопилы своими руками не придется, потому как в сети доступно большое количество идей, подходящих даже для человека без опыта.
Безопасность использования конструкции обеспечивается тем, что не нужно самостоятельно передвигать бревно. Для этой цели служит каретка с пилой, которая, в зависимости от толщины бревна, закрепляется на необходимой высоте. После включения рама перемещается точно, а срез остается аккуратным и получается ровным. Можно эксплуатировать устройство не только для цельного бруса, но и для распиловки доски, с целью заготовки дров.
На заметку! Нужно быть готовым к тому, что в процессе работы будет образовываться большое количество опилок, так как для распиловки используется цепь значительной толщины.
Самодельная лебедка также станет хорошим помощником при строительстве, потому как с ее помощью получится легко поднимать грузы на высоту, перемещать спиленное дерево. Кроме того, применяя лебедку, удастся вытащить застрявшую машину или вытянуть из воды на берег катер. Эффективность работы будет зависеть от передаточного числа редуктора, в некоторых моделях показатель может достигать 1,5 т.
Пилорама из бензопилы позволит легко и быстро превратить бревна в брус.
Чтобы прибором было удобно пользоваться, потребуется выполнить прочную раму, используя сварочные работы. На раме следует прочно закрепить мотор, редуктор и барабан с системой торможения. Для фиксации рамы на корпусе следует предусмотреть отверстия и проушины, через которые можно будет установить прибор на любую поверхность.
Самодельный велосипед с мотором
Народные умельцы выдумали множество вариантов, как переделать велосипед в мопед. Их смысл сводится к следующему:
- берется велосипед;
- к багажнику либо раме прикрепляется мотор с бензобаком;
- устанавливается редуктор (имеющий передаточное соотношение 18 к 1) и специальная передача;
- монтируются дополнительные амортизаторы;
- ставится тормоз.
Вместо редуктора используют две зубчатые пары, соединяющиеся друг с другом с помощью велосипедной цепи. За основу часто берут различные старые велосипеды (как на фотографии далее), а более современные (горные) модели используют значительно реже.
Как сделать пилораму из бензопилы своими руками
С началом ремонта жилья или строительства подсобных помещений у владельца возникает необходимость покупки главного стройматериала – ровных и гладких досок. Однако приобретение древесины почти всегда связано с затратами на погрузку, доставку и разгрузку. Чтобы избежать их, любой желающий владелец бензопилы может собрать самодельную пилораму. Это простое приспособление поможет регулярно получать практически неограниченное количество досок разных форм и размеров, а их качество практически ничем не будет уступать древесине, подготовленной в фабричных условиях.
Преимущества и недостатки самостоятельного изготовления
Собственноручно собранная пилорама для активной заготовки древесины изначально обладает несколькими достаточно важными преимуществами, которые выгодно выделяют ее на фоне заводских аналогов.
К плюсам самоделки относятся:
- небольшие физические габариты и сравнительно скромный вес – это позволяет двум взрослым мужчинам быстро перенести конструкцию с одного участка на другой;
- производительность – по этому параметру самодельные пилорамы из бензопилы практически ничем не уступают более крупному фирменному оборудованию;
- невысокий расход топливной смеси – во время непосредственной эксплуатации заводские пилорамы нуждаются в сравнительно больших объемах горючего. По сравнению с ними самоделка потребляет в 2–2,5 раза меньше топлива, демонстрируя довольно высокую скорость заготовки досок;
- эффективность при роспуске бревен из любой древесины – при сравнительно небольших физических размерах мини-пилорама успешно справляется с роспуском наиболее твердых бревен, включая старые стволы дуба, ясеня, вяза и крупной акации.
Недостатки собственноручного изготовления пилорамы связаны с необходимостью оператора обладать навыками в эксплуатации дрели, болгарки и оборудования для сварочных работ. Не лишним будет и умение правильно пользоваться токарным станком – возможность самостоятельно выточить металлические детали позволит укомплектовать пилораму качественными и долговечными комплектующими.
Как подготовиться к сборке пилорамы?
В первую очередь, конструктор самоделки обязан досконально изучить чертежи . Они не только помогут сориентироваться в процессе изготовления, но и подскажут размеры любой из используемых деталей.
Порядок изготовления вездехода
Есть умельцы, которые изготавливают своими руками не то что вездеходы — танки в натуральную величину. Однако чаще всего в планах домашнего мастера — мини вездеход гусеничный, на котором можно съездить в лес, на рыбалку, за грибами, а также в магазин или в гости к соседу по размытой дороге или напрямик по пересеченной местности. Как правило, они не оборудованы пассажирским местом и грузовым отсеком, однако являются компактными, недорогими и экономичными машинами.
Простейшие мини вездеходы на гусеницах делаются из грузовых самоходных тележек. Достаточно установить на колеса гусеничную ленту, изготовить которую легко и просто из резиновой полосы и металлических скоб, предотвращающих соскальзывание ленты. Однако следует помнить, что гусеничный движитель, повышая проходимость, одновременно отнимает скоростные характеристики. Поэтому обычно мастера стараются собрать машины на основе более скоростных моделей и даже покупают мощные моторы отдельно.
Для начала необходимо определиться с имеющимися запчастями и решить, каких размеров и мощности будет машина. Базовый чертеж гусеничного вездехода можно найти в интернете и доработать, но лучше сделать с нуля, используя нужные размеры и детали.
Необходимые инструменты и материалы
Рассмотрим два способа сделать самодельную вездеходную машину. Первый попроще, второй — чуть сложнее.
У многих сельских жителей есть мотоблок, который не жалко превратить в вездеход. В идеале стоит брать дизельный мотоблок, он мощнее. Итак, за основу взят дизельный мотоблок «Зубр». Замечателен он тем, что имеет мощность двигателя целых 8 л. с., достаточно мощный аккумулятор с генератором, а также фару для перемещения в темное время суток. Ключевая черта — данная модель способна притормаживать левым или правым колесом, что дает возможность разворачиваться на месте за счет отдельного тормоза на каждое колесо. Это позволяет переработать его по типу гусеничного трактора ДТ-75, где поворот осуществляется посредством фрикционов, притормаживающих колеса с той стороны, куда нужно повернуть.
Никаких изменений в конструкцию вносить не нужно. Достаточно соединить колеса с одной стороны резиновой лентой и заблокировать сцепное устройство между мотоблоком и адаптером.
Вездеход можно изготовить несколькими способами
Необходимые инструменты:
- острый и прочный нож-резак;
- монтировка;
- отвертки шлицевая и крестовая;
- кусачки;
- молоток.
Материалы: покрышки от трактора МТЗ-82 — они пойдут на гусеницы резиновые для вездехода. Достаточно двух покрышек.
Процедура проста:
- Срезать боковую часть покрышки. Она достаточно твердая, но если нож хорошо заточен, проблем не возникнет.
- Натянуть остаток покрышки на колёса с одной стороны.
- Повторить для второй покрышки и колес с другой стороны.
Работа закончена. Как видно, мастер не производит никаких конструктивных доработок с мотоблоком, поэтому эта работа доступна даже начинающим механикам.
Второй способ посложнее и потребует умения соединять детали и узлы от разных машин. Зато результат порадует мощностью и проходимостью.
Необходимые детали и материалы:
- двигатель (в приведенном примере мастер приобрел новый «Lifan» мощностью 22 л. с.);
- КПП от мотоцикла «Урал»;
- транспортерная лента (для изготовления гусениц);
- уголок металлический;
- профтруба металлическая;
- колеса от легкового автомобиля ВАЗ (любой «классики»).
Инструменты:
- УШМ (болгарка);
- сварочный инвертор;
- набор гаечных ключей;
- дрель;
- молоток;
- рулетка.
Такой набор найдется в любой мастерской и не потребует дополнительных затрат.
Гусеницы являются основным элементом вездехода
Порядок сборки
Действия по сборке:
- Сварить раму из профтрубы.
- Собрать редуктор и планетарный механизм.
- Установить двигатель на раму.
- Установить гибкую муфту между КПП и задним мостом.
- Собрать фрикцион из дисков сцепления мотоцикла «Урал».
- Установить цепную передачу, которая будет передавать крутящий момент.
- Сварить корпус вездехода.
- Собрать гусеницы. Для основы используется транспортерная лента, в качестве траков — уголок.
В результате получится одноместный вездеход, прочный, надежный и достаточно простой по конструкции, чтобы все возможные неполадки можно было устранить максимально быстро и недорого
Еще одно важное преимущество состоит в том, что большинство узлов и деталей можно найти на разборках, а значит, снова сэкономить. Двигатель можно взять старый и менее мощный, но если нужны хорошие скоростные характеристики и по-настоящему высокая проходимость, 22-сильный Lifan будет оптимальным выбором
Генератор
Для изготовления подходит бензопила с 2-тактным двигателем мощностью 2-3 л. с. В качестве электрогенератора используют часто электродвигатели от старых стиральных машин. Сочетание этих устройств позволяет получать на выходе электроток напряжением 220 В. Мощности такого бензогенератора достаточно для освещения, питания электрических приборов и инструментов, бытовой техники.
Порядок операций:
- Изготавливают кронштейн и крепят к нему электродвигатель. Устанавливают полученную конструкцию на внешнем конце шины бензопилы. При этом обеспечивают:
- перпендикулярность оси электродвигателя к плоскости шины;
- расположение шкивов обоих устройств в одной плоскости.
- Выходные валы двигателей снабжают шкивами подходящего диаметра.
- Одевают на шкивы ременную передачу.
- Изготавливают устройство для регулирования оборотов мотора мотопилы. Используют болт, который с помощью хомута крепят к ручке последней. Закручивание его приводит к увеличению количества оборотов, выкручивание — к уменьшению.
- Внешнюю пусковую обмотку электродвигателя снабжают 2 конденсаторами, которые рассчитаны на напряжение 400-450 В и имеют общую емкость 10 мкФ. Их подсоединение — параллельное.
Изготовление болгарки
Угловая шлифовальная машина — необходимый при проведении целого ряда работ многофункциональный инструмент. Несмотря на его доступность и распространенность, умельцами изготовлена болгарка из бензопилы (образец продемонстрирован на фотографии ниже).
Сборки болгарки с использованием специального приспособления для бензопилы происходит так:
- с бензиновой пилы снимают цепь и шину;
- устанавливают на вал редуктора шкив;
- вместо шины монтируют специальную насадку тоже со шкивом, предварительно надев ремень на него;
- натягивают ременную передачу как цепь;
- прикрепляют защитный кожух;
- ставят диск.
Весь процесс детально показан в видео далее.
Собранная собственноручно болгарка-бензорез поможет в выполнении многих практических задач. Ее мощности достаточно для продуктивного выполнения работ по бетону.
Самокат на бензиновом моторчике
Для создания такого средства передвижения понадобятся:
- двигатель от пилы;
- цепь;
- болтики, гайки для креплений;
- коммутатор и акселератор от горной велосипедной модели;
- старый самокат.
С пилы снимается шинная часть с цепью, все остальное остается и будет установлено на самокатную платформу. От коленвала откручивается муфта. Моторная мощность будет подаваться при помощи велосипедной цепи по звездочкам. Сразу предупредим, что будет две проблемы – остановить двигатель невозможно, а при его запуске придется заднее колесо приподнять над землей. На заднюю ось самоката прикручиваем звездочки.
На платформу размещаем мотор таким образом, чтобы его звездочка была на одной линии с колесной группой. Просверлив отверстия в корпусе пилы и самокатной платформе, соединяем их болтами.
Подогнав по длине цепь, натягиваем ее на звезды. Акселератор, укрепленный на ручке, проводами соединяем с проводкой включения и отключения, чтобы была возможность подачу моторной энергии держать под контролем.
Под такую конструкцию необходимо основание, закрепленное прочно, чтобы не создавались смещения и вибрирование.
Изготовленные элементы основания выставляются параллельно, по уровню, что особенно важно, чтобы избежать создания свободного хода. Это выполняется на бетонной поверхности, фундаментном основании или уплотненной земле. Рама фиксируется болтами или шпильками, сваривается с армировкой фундамента
Рама фиксируется болтами или шпильками, сваривается с армировкой фундамента.
Теперь устанавливается рельсовая основа, фиксирующаяся к боковым креплениям.
Порядок работ можно посмотреть на видео:
Машина
Из бензопил можно сделать разные варианты машин. Один из них — карт багги, который отличается наличием в конструкции подвески. Она делает комфортнее езду машины по бездорожью.
Процесс создания такой самодельной машины сложный. Особенно это касается рамы, которую сваривают из металлических или профильных труб по заранее составленным чертежам. Затем занимаются изготовлением подвески, деталей рулевого управления.
Операции по изготовлению багги включают:
- сборку подвески;
- установку руля, тяг и пускача;
- крепление колес;
- размещение тормоза;
- установку кресла водителя;
- крепление на раму двигателя.
Передать вращение от мотора на колеса можно цепью или ремнем. В первом варианте устанавливают звездочки, во втором — шкивы. Двигатель, чтобы уменьшить шум, снабжают глушителем.
Как создать газонокосилку, используя подручные средства
Чтобы быстрее справиться с высокой травой или привести в порядок газон, среди инструментов хозяина обязательно должна присутствовать газонокосилка. Можно приобрести обыкновенный заводской вариант техники, удобный в использовании, но следует учитывать, что цена газонокосилки будет значительной. Выполненная своими руками самоделка из бензопилы «Дружба» обойдется в полтора раза дешевле заводского устройства, а мощности вполне хватит для стандартного бытового применения.
Независимо от выбранного типа конструкции, триммер будет состоять из привода, каркаса, системы управления и ножей. Для удобства работы прибор дополнительно оснащают колесами, ножками, рукоятями и защитным кожухом, в котором собирается скошенная трава. Процесс изготовления газонокосилки начинается с создания каркаса удобного размера, чаще всего сложенного из металлических уголков. Оптимальным считается размер 25×25 см. В целом ход работ по изготовлению техники выглядит так:
- Используя болты, к готовой раме прикрепляют железные ручки, а на боковых частях монтируют колеса.
- Предварительно изучив характеристики бензопилы «Урал» или любой другой модели, с прибора снимают ручку и шину.
- При помощи шпилек с гайками к основе прикрепляется оставшаяся часть техники. Сделать это нужно так, чтобы вал редуктора, развернутого на 90˚, смотрел вниз.
- На следующем этапе потребуется удлинить газовый трос, а из двух трубок выполнить раздвижной вал, соединенный с редуктором.

Газонокосилка сделанная из бензопилы будет стоить намного дешевле, чем покупная
В качестве колес берут элементы из старых детских колясок или тачки. Если для изготовления использовать несколько труб разного диаметра, получится изготовить прибор с телескопической системой работы, способный изменять длину.
Это особенно важно, если устройством часто пользуются люди разной комплекции. Также создание телескопического вала поможет регулировать высоту травы после прохождения газонокосилки
Чтобы прибор служил дольше, не выходил из строя после встречи с твердыми камнями и качественно боролся с небольшими кустами, следует оснащать его качественными стальными ножами. Для удобного использования советуют дополнительно оборудовать косилку травосборником, чтобы не пришлось собирать остатки скошенной травы.
Устройство болгарки из бензопилы
В репортажах о работе спасателей все видели, как строительные конструкции разрушенных домов или покореженный автомобиль после аварии разрезают высекающим красивые искры ручным аппаратом.Облегченную версию профессионального устройства может сделать любой домашний мастер. Весом и габаритами оно будет значительно превосходить всем известную электрическую угловую шлифмашину, или болгарку. Однако самоделка независима от электропитания, а мощность двигателя позволяет использовать режущие круги диаметром и в 30 см.Такое мобильное устройство позволит резать и зачищать металлоконструкции перед сваркой или покраской, обрабатывать поверхность дерева и камня, и даже резать бетонные блоки вместе с арматурой.Для устройства потребуется сварить небольшую раму, на которой будут закреплены двигатель и подшипник рабочего вала. Крутящий момент передается на шкив рабочего вала коротким ремнем, а на другом конце вала надо закрепить оправку для точильных кругов или зажимное устройство достаточного диаметра от старой болгарки.
Важно помнить, что при работе с болгаркой-самоделкой необходимо пользоваться средствами индивидуальной защиты: очками или прозрачным щитком, плотной спецодеждой и прочной обувью и защитными перчатками
Мотокультиватор, снегоуборщик, ледобур и буроям своими руками
Мотор из бензопилы отлично подойдет и для создания мотокультиватора, предназначенного для вспашки целины (для легких грунтов). Для работы с плотными и влажными почвами мощности и крутящего момента двигателя скорее всего не хватит, а вот для взрыхления поверхностного слоя и удаления оставшихся в земле корней бурьянов культиватора из бензопилы будет достаточно. Главной деталью устройства является вращающаяся фреза, за счет которой и происходит передвижение техники по участку.

Чертеж снегоуборщика выполненного своими руками с применением бензопилы
Если в культиваторе заменить вал с лемехами на шнек, а также оснастить конструкцию заборным устройством и трубой для откидывания снега, культиватор превращается в снегоуборочную машину. Мотора от любой пилы мощностью 3-5 лошадиных сил будет более чем достаточно для уборки рыхлого снега на участке
Важно только выполнить удобный шнековый механизм. Для этого чаще всего применяются лопасти, изготовленные из толстой резины
В качестве заборного устройства подойдут детали из оцинкованной стали. Выброс снега легко осуществить, установив пластмассовую трубу большого диаметра.
Бурить лед или промерзшую землю ручным инструментом – довольно долгое и физически сложное занятие. Создание мотобура своими руками значительно упростит выполнение этой задачи. В этом случае, помимо мотора, необходимо иметь редуктор, регулирующий количество оборотов в минуту, потому как такого сильного вращения, как у бензопилы, устройству не требуется.
Полезный совет! Если не имеется достаточного количества знаний относительно работы редуктора, можно обратиться за помощью к инженеру, который поможет правильно выбрать нужный механизм. Необходимый тип прибора подбирается в зависимости от характеристик мотора.
Для создания мото- или ледобура своими руками, первое, что потребуется сделать, – выполнить надежный корпус, представляющий собой усеченную пирамиду, состоящую из двух прямоугольников различных размеров. Понадобятся болгарка, сварочный аппарат и металлические трубы. Именно внутри этой рамы и будет устанавливаться редуктор, соответственно, габариты корпуса напрямую будут зависеть от размеров редуктора.

Буроям из бензопилы станет незаменимым помощников в хозяйстве
Для надежности специалисты рекомендуют в качестве шнека взять деталь от хорошего мотобура, выполненную из прочной стали, потому как низкокачественный материал не выдержит больших нагрузок. Другой важный вопрос – надежное крепление бура, которое можно осуществить при помощи обыкновенной трубы, зафиксированной с двух сторон шпонками или шпильками. Такой способ крепления позволит менять буры или использовать другие приспособления для работы.
Что такое пилорама из бензопилы
Чтобы узнать, как быстро и легко сделать пилораму из бензопилы, для начала необходимо разобраться, что же собой представляет устройство. Пилорама — это агрегат, который служит для того, чтобы обрабатывать заготовки в виде бревен. К процессу обработки относится распиливания бревна на доски и изготовление брусьев. Заводское устройство имеет большие размеры, откуда и возникает большая цена такого оборудования.
Чтобы не покупать пилораму заводского типа, в которой приводным механизмом выступает мощный электромотор, который питается от напряжения 380В, есть хорошая альтернатива — это агрегат с использованием бензопилы. Причем использовать можно не только бензопилу, но и электропилу. Конструктивно схема пилорамы будет идентична. Кроме цепных пил, можно также сделать пилораму из ленточной пилы. Различие в их применении следующее:
- Если изготавливается пилорама своими руками из бензопилы цепной, то такое оборудование позволяет производить распил круглого леса. В основание такого агрегата входит пильная цепь, главным недостатком которой является образование большого количества опилок. Кроме того, при продольном распиливании древесины требуются не только мощные инструменты, но еще и соответствующей прочности цепи, например, с победитовым или алмазным напылением, которые способствуют продлению срока службы насадки
- Мобильная ленточная пилорама применяется для распила бревен больших диаметров. Однако использование таких агрегатов также имеет свои недостатки, как например, распространение опилок на большую площадь от места обработки. Этот недостаток можно легко устранить, если подключить к стружкоотделителю гибкий воздуховод. Основное достоинство ленточных агрегатов в том, что срез получается тонким, и поэтому выделяется небольшое количество стружки
Ниже на фото изображено оба варианта пилорам из бензопилы и ленточного полотна, которые были сделаны своими руками.
Так выглядит простейшая конструкция рассматриваемого агрегата, в основе которой лежит пила с цепным режущим механизмом.
Если первый вариант считается мобильным, то второй стационарным, а также требует больших затрат для изготовления. Если поставлена цель быстро и легко сделать пилораму из подручных средств с применением бензопилы, тогда рассмотрим подробно, как реализовать задумку пошагово.
Это интересно! Электропилу также можно использовать в качестве приводного режущего инструмента для распиливания бревен. Только одним из основных недостатков электропил является их малая мощность, поэтому справиться с серьезными заготовками инструмент не сможет.
https://youtube.com/watch?v=ke1B6T-GdRY%3F
Цепи для продольного пиления
Форма зуба любого режущего полотна для продольной и поперечной резки древесины отличается. Тоже касается и цепей бензопил. У ножовки или двуручной пилы для обычного, поперечного пиления зуб расположен прямо, под 90 градусов (по своей оси) к полотну.
У полотен для продольного пиления зуб наклонен вперёд. У цепей бензопил для продольного пиления другой угол заточки. В продаже можно найти такие цепи. Но требуются они достаточно редко, поэтому большого выбора их в свободной продаже нет. Приходится искать. К тому же среди разнообразия цепей для разных моделей и брендов подобрать подходящую цепь ещё труднее.
Пилить вдоль волокон (продольно) цепи с обоими (30 и 5 градусов) углами заточки будут примерно с одинаковой скоростью. Но при более остром угле для поперечного пиления в 30 градусов цепь склонна находить в древесине места с наименьшим сопротивлением между волокон и непредсказуемо уводить пропил в эту сторону. В итоге шина может выгибаться, делать кривой срез или заклинить.





































